Место установки пульта определяется условиями работы оператора и эксплуатации аппаратуры. Обычно пульты управления устанавливают на технологическом оборудовании. Это сокращает затраты на монтаж. Для обеспечения обзора и нормальных условий работы оператора, а также в случаях, когда на объекте неблагоприятные условия для работы аппаратуры (взрывоопасная, агрессивная, сырая среды, вибрация и т. д.) или эксплуатация ее затруднена, применяют отдельно устанавливаемые пульты.
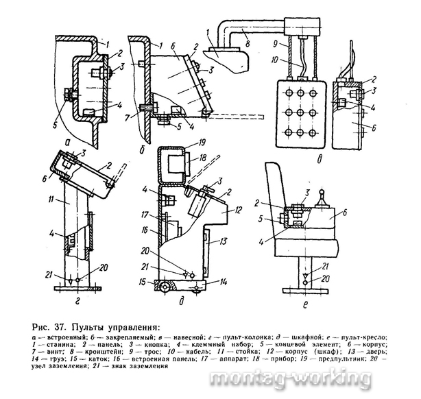
Конструктивные разновидности пультов. Пульты, устанавливаемые на объекте, подразделяются на следующие виды: встроенные (рис. 37,а), выполненные в виде отдельного узла, закрепленного на станине оборудования (рис. 37,6), навесные (рис. 37,в), место которых может меняться в зависимости от вида управления объектом.

Отдельно устанавливаемые пульты: пульты-колонки (рис. 37,г), шкафные пульты (рис. 37,), пульт-кресло (рис. 37,е). Отдельно устанавливаемые пульты могут быть стационарными или передвижными. Передвижные применяют тогда, когда место оператора меняется в зависимости от выполняемых работ на оборудовании. Специальные конструкции (пульт-кресло) пультов нашли применение, например, на установках для сортировки пиломатериалов. Такой пульт создает оператору наилучший обзор объекта труда. Аппаратура управления монтируется в подлокотниках.
Пульты, несмотря на большое число разновидностей, имеют конструкции пультов. Встроенные пульты (рис. 37,а) имеют корпус, являющийся обязательной частью станины 1 оборудования. Аппаратура управления (кнопка 3) располагается на панели 2, съемной или откидной. Внутри корпуса установлен клеммный набор 4. Ввод осуществляется через концевой элемент 5 или специальный штуцер с уплотнением. Оболочка пульта обычно имеет степень защиты JP54 и выше за счет того, что панели в месте соприкосновения с корпусом снабжены уплотняющими прокладками, а также имеются уплотнения на вводе.
Пристраиваемые пульты (рис. 37,6) имеют отдельный корпус 6, который крепится к станине оборудования болтами 7. Применение таких пультов позволяет использовать более прогрессивный блочный метод монтажа электротехнических устройств. Роль пристраиваемых пультов при малом числе органов оперативного управления может выполнять кнопочная станция, в корпус которой могут встраиваться арматура сигнальных ламп и кнопки различных исполнений.
Навесные пульты (рис. 37,в) крепятся к кронштейну 8, который может поворачиваться на угол до 300°. Корпус 6 подвешивается к кронштейну на тросе (цепи) 9, чтобы разгрузить от механических воздействий кабель 10.
Пульты-колонки (рис. 37,г) устанавливают на стойке 11, внутри которой располагают клеммный набор 4. Шкафные пульты отличаются большими размерами панели. Внутри корпуса (шкафа) 12 имеется большое пространство, что позволяет монтировать на панели 2 аппаратуру 3, имеющую большую высоту утопленной части. Внутри шкафа можно устанавливать дополнительные панели 16 для размещения на них аппаратуры защиты, питания, управления. Доступ к этой аппаратуре и клеммным наборам осуществляется через двери 13 с уплотнениями для обеспечения необходимой степени защиты JР40 и выше.
Для обеспечения площади под аппаратуру сигнализации мнемосхемы и для монтажа контрольно-измерительных приборов 18, на пультах монтируют предпультники 19.
Для придания устойчивости передвижные пульты имеют в нижней части груз 14 в виде металлической или бетонной плиты. Для облегчения передвижения пульт оборудуют катками 15.
В подлокотниках кресла (рис. 37,е) оборудованы пульты. В целях упрощения монтажных работ, отдельно устанавливаемые пульты часто для присоединения внешних линий оборудуют штепсельными разъемами. В этом случае клеммные наборы не используют. Отдельно устанавливаемые и подвесные пульты оборудуют узлом заземления 20 (болт М8 для крепления заземляющего проводника) и знаком заземления 21.
Если вы занялись строительством, то вам просто необходимо покупать все строительные материалы. В первую очередь вам понадобится песок, потому что строительство без песка просто невозможно. На сайте http://stroirem.net/ вы сможете приобрести песок, как оптом так и в розницу, цена вполне умеренная, поэтому обращайтесь.