Показывают также присоединительные клеммы в виде зачерченной точки диаметром 2 мм. Если прибор имеет заводскую маркировку клемм, то их показывают кружочками диаметром 6...8 мм. Внутри проставляют заводскую маркировку клемм. В этом случае внутренняя схема прибора может быть упущена. Если клеммы объединены в несколько колодок, то их располагают так, как они взаимно расположены на корпусе прибора. Маркировка колодок должна совпадать с принятой на принципиальной схеме. Над изображением клеммы ставят номер провода, который к ней подходит. Все разветвления электрических узлов делают на клеммах. При этом следует иметь в виду, что к одной клемме присоединяют не более двух проводов.
При графическом способе клеммы, к которым подходит одноименный провод, соединяют линией. Провода, идущие параллельно, показывают одной, но более толстой линией (толщину линии обычно увеличивают в зависимости от числа проводов) — жгутом. От клемм показывают столько отводов, сколько проводов отходит. При выходе провода из жгута обозначают направления отводов. Такая схема показывает место и объем жгута. Но для ее чтения требуется таблица жгутов с расшифровкой данных каждого провода.
Более наглядной является схема, выполненная адресным способом. От клемм делают отводы по 10…12 мм и над ними пишут адрес прибора, куда данный провод идет — позиционное обозначение или номер прибора по монтажной схеме и его позиционное обозначение. В специальной таблице или в примечаниях дают сведения о проводах. Схемы, выполненные адресным методом, легко читаются, но они затрудняют определение числа проводов в жгуте в процессе проектирования. Это обстоятельство приводит к тому, что в процессе монтажа в целях упрощения работы имеют место отклонения от схемы. Изменяется порядок обводки приборов проводом, имеющим сложные разветвления электрического узла.
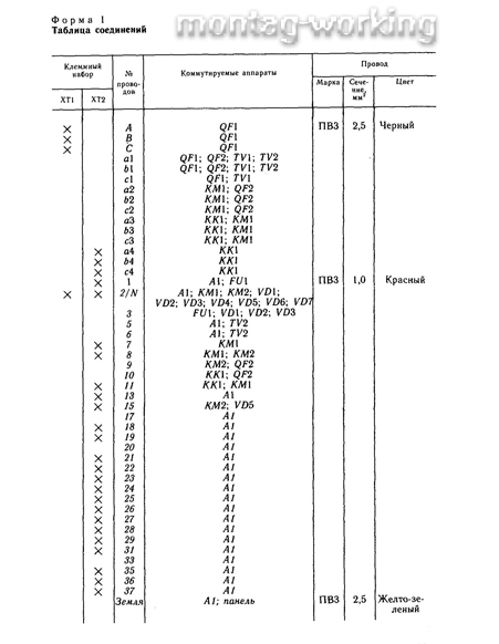
При табличном методе на схеме показывают контуры приборов, внутри которых располагают зажимы с заводской маркировкой, или внутренние схемы и указывают номера проводов, подходящих к клеммам. Чертеж дополняется таблицей. Для каждого провода указывают, к каким приборам он должен быть подведен. Если соединение имеет участки, выполненные проводами различных марок или сечений, то в таблице заполняют несколько строк. Если провод выходит на клеммный набор, то в столбце с соответствующим обозначением набора ставят точку. Такая система позволяет сверить правильность заполнения таблицы и подвод проводов к клеммным наборам.

На схеме клеммные наборы показывают в виде ленты, разделенной на секции, состоящей из двух частей. В левой части секции ставят номер клеммы (обычно 1, 5, 10, 15 и т. д.), а в левой — номер провода, подходящего к клемме. В системах управления технологическим оборудованием схемы соединений завершают подводом проводов к клеммным наборам со стороны приборов, расположенных на панели (щите, пульте).

В системах контроля и регулирования указывают еще отводы от клеммных наборов к внешним приборам и устройствам. В местах вывода ставят номера (обычно в кружочках) отходящих линий (кабелей). Если в системе автоматики используют только приборы с клеммами, имеющими заводскую маркировку, то вместо схемы соединений можно ограничиться таблицей соединений. В этом случае в графе «Соединение» после позиционного обозначения прибора в скобках или в виде дроби указывают номер клеммы прибора, к которому подходит провод. На рис. 6 даны оформления схем соединений, на поле чертежа дана таблица соединений по форме 1. На схемах указывают технические требования на выполнение проводок. На форме 2 показана таблица соединений взамен схемы соединений. В графах «Откуда идет» и «Куда поступает» указывают позиционное обозначение прибора или аппарата и через двоеточие — номер присоединительного элемента.
